Uwaga! Znajdujesz się na archiwalnej stronie Biuletynu Informacji Publicznej SGGW. Aktualna strona BIP SGGW, uruchomiona 16 września 2025 r., dostępna jest pod adresem: 👉 https://bip.sggw.edu.pl/

ZAPYTANIE OFERTOWE: Wykonanie instalacji układu regulacji i układu sterowani wraz z parametryzacją przepływów .

2022-10-05

ZAPYTANIE OFERTOWE

 

Na podstawie Regulaminu udzielenia zamówień publicznych na dostawy lub usługi służące wyłącznie do celów prac badawczych, eksperymentalnych, naukowych lub rozwojowych albo z zakresu działalności kulturalnej, których wartość jest równa lub przekracza netto 130000 PLN i jest kwotą mniejszą od wartości określonej zgodnie z art. 3 ust 2, ustawy Prawo zamówień publicznych, Zamawiający – Szkoła Główna Gospodarstwa Wiejskiego w Warszawie zwraca się z zapytaniem ofertowym o cenę dostaw/usług, określonych poniżej:

 

  1. Zamawiający Szkoła Główna Gospodarstwa Wiejskiego w Warszawie, Instytut Inżynierii Mechanicznej
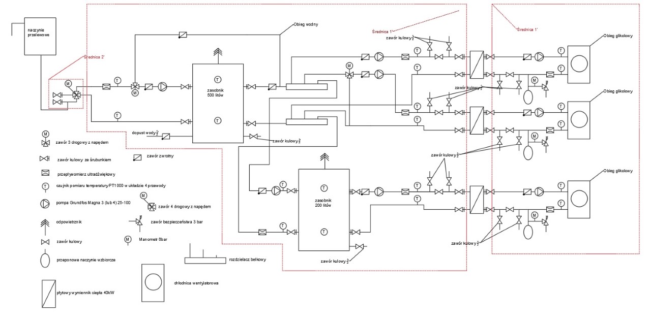
  2. Przedmiot zamówienia: Wykonanie instalacji układu regulacji i układu sterowani wraz z parametryzacją przepływów
  3. Termin realizacji zamówienia 90 dni roboczych od daty podpisania umowy
  4. Kryteria oceny ofert oraz ich znaczenie procentowe Cena – 100%
  5. Inne istotne warunki zamówienia Załącznik nr 1 – Opis Przedmiotu Zamówienia
  6. Sposób przygotowania oferty .Ofertę sporządzić należy na załączonym druku „OFERTA”. Ofertę sporządzić należy w języku polskim, w formie pisemnej (można przesłać mailem), na maszynie, komputerze, nieścieralnym atramentem lub długopisem. Oferta winna być podpisana przez osobę upoważnioną. W przypadku składania oferty w siedzibie zamawiającego lub pocztą na kopercie należy umieścić napis „Wykonanie instalacji hydraulicznej”. Ofertę złożyć można osobiście u zamawiającego: ul. Nowoursynowska 164, budynek 19, pokój 24, 02-787 Warszawa, pocztą, pocztą elektroniczną na adres: malgorzata_powalka@sggw.edu.pl.
  7. Miejsce i termin złożenia oferty. Ofertę złożyć należy do dnia 13.10.2022 do godz.: 14:00
05-10-2022 11:36
Mateusz Skłodowski